Thermoelectric module Application and advantages
1. Electronics and Semiconductor Industry
Applications: Cooling of CPUs, GPUs, laser diodes, and other heat-sensitive electronic components.
Benefits: TEC module, Thermoelectric module, peltier cooler provide precise temperature control, which is critical for maintaining the performance and longevity of electronic devices. They are also lightweight and compact, making them ideal for integration into small electronic systems.
2. Medical and Laboratory Equipment
Applications: Temperature stabilization in medical devices such as PCR machines, blood analyzers, and portable medical coolers.
Benefits: Thermoelectric cooling modules, TE modules ,peltier device, TECs are noiseless and do not require refrigerants, making them suitable for sensitive medical environments. They can also be used for both heating and cooling, providing versatility in medical applications.
3. Aerospace and Military
Applications: Thermal management in avionics, satellite systems, and military-grade equipment.
Benefits: TECs, thermoelectric cooling modules, peltier element, peltier module, are reliable and can operate in extreme conditions, making them suitable for aerospace and military applications where durability and precision are critical.
4. Consumer Products
Applications: thermoelectric cooling portable coolers, thermoelectric car seat cooling systems, and thermoelectric cooing/heating sleep pads.
Benefits: Thermoelectric module, thermoelectric cooling modules, TEC modules,TECs are energy-efficient and environmentally friendly, making them ideal for consumer products that require compact and quiet cooling solutions.
5. Industrial and Manufacturing
Applications: Cooling of industrial lasers, sensors, and machinery.
Benefits: Peltier modules, thermoelectric cooling modules, peltier module, TECs ,TEC modules offer reliable and maintenance-free operation, which is essential for industrial applications where downtime must be minimized.
6. Renewable Energy and Thermoelectric Generators
Applications: Waste heat recovery and power generation using thermoelectric principles.
Benefits: Thermoelectric generators, thermoelectric power generators, TEG modules TECs can convert temperature differences into electrical energy, making them useful in renewable energy systems and remote power generation.
7. Custom and Specialized Applications
Applications: Custom-designed cooling solutions for specific industrial or scientific needs.
Benefits: Manufacturers like Beijing Huimao Cooling Equipment Co., Ltd. offer customized Pletier modules,TEC modules thermoelectric cooling modules, thermoelectric modules ,peltier device, peltier module ,peltier element to meet unique requirements, including multi-stage configurations and integration with heat sinks or heat pipes .
Advantages of Thermoelectric Cooling Modules, thermoelectric modules:
Precise Temperature Control: Ideal for applications requiring stable and accurate thermal management.
Compact and Lightweight: Suitable for integration into small or portable devices.
Noiseless Operation: Perfect for medical and consumer applications.
Environmentally Friendly: No refrigerants or moving parts, reducing environmental impact.
Conclusion
Thermoelectric cooling modules, TEC modules, thermoelectric modules, peltier modules, peltier devices are versatile and widely used across industries due to their unique capabilities. From electronics and medical devices to aerospace and consumer products, TECs provide efficient, reliable, and precise thermal management solutions. For more detailed information, you can refer to the sources cited above.
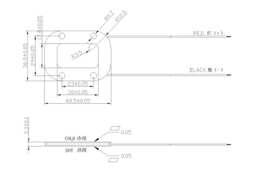
TES1-11707T125 Specification
Hot side temperature is 30 C,
Imax: 7A,
Umax: 13.8V
Qmax:58 W
Delta T max: 66- 67 C
Size:48.5X36.5X3.3 mm ,center hole size:30X 18 mm
Ceramic plate: 96%Al2O3
Sealed: Sealed by 704 RTV (white color)
Working temperature: -50 to 80℃.
Wire length: 150mm or 250mm
Thermoelectric material: Bismuth Telluride

Post time: Mar-04-2025