Thermoelectric modules Peltier elements have extensive development and application in the optoelectronic and beauty instrument markets.
Thermoelectric cooling modules(peltier modules) in Optoelectronic market:
In the field of optical communication:
In 5G optical communication, thermoelectric cooling modules, peltier devices, TEC modules, thermoelectric modules can effectively control the heat generated by optical chips during the photoelectric conversion process, ensuring the stability and security of communication signals. For instance, the micro thermoelectric cooling modules,peltier modules of Beijing Huimao Cooling Equipment Co., Ltd. has achieved precise temperature control of optical chips through the preparation of high-strength and high-value bismuth telluride semiconductor thermoelectric materials and the packaging technology of micro thermoelectric cooling module, peltier module, TEC module, peltier device, thermoelectric module, solving the problem of domestic production.
In the field of optical modules:
Micro TEC module, Micro thermoelectric module, Micro peltier module , as a core component of high-speed optical modules, can be used to precisely control the temperature of chips by attaching them to them, with a temperature control accuracy of up to 0.01℃. It can maintain the stability of the working wavelength, ensure the performance of the device, optimize the heat dissipation of high-power devices, and is a solid-state cooling air conditioner for precise temperature control of optical modules.
In the field of gas detection sensors:
Thermoelectric cooling module, peltier element, peltier module, peltier device, TE module, Thermoelectric module, can effectively control the operating temperature of lasers, keeping them at a relatively constant temperature under different environmental conditions, reducing the impact of temperature fluctuations on laser performance, ensuring stable wavelength and power output by lasers, and thereby enhancing the accuracy and reliability of gas detection.
Lidar system:
In a liDAR system, the thermoelectric module, thermoelectric cooling module, TEC module,peltier module,peltier cooler plays a role in temperature control, performance improvement, and resistance to environmental interference, which helps ensure the normal operation and detection accuracy of the lidar.
The Development and application of thermoelectric cooling module,peltier element,TEC module,thermoelectric module in the beauty instrument market
Laser beauty equipment cooling:
In laser beauty treatments such as laser spot removal and laser hair removal, the laser generator generates a large amount of heat during operation. The thermoelectric cooling module,thermoelectric module,peltier element,TEC module,peltier device can be directly installed near the laser generator to efficiently absorb and remove the heat, precisely controlling the working temperature of the laser equipment within an appropriate range to ensure the stable operation of the equipment and the treatment effect.
Cold compress beauty devices:
Cold compress is a common care method after medical art. Cold compress beauty devices that apply thermoelectric cooling, such as cold compress masks and cold compress eye masks, have emerged as The Times require. These devices utilize thermoelectric cooling modules, thermoelectric modules, which can rapidly cool down and reach a relatively low temperature within a short period of time while maintaining a stable temperature. For instance, the peltier module,thermoelectric module,TE module built into the cold compress eye mask can lower the surface temperature of the eye mask to around 10℃ within 1 to 2 minutes and maintain it between 8 and 12℃ for over 30 minutes.
Epidermal protection during medical aesthetic device treatment: For instance, GSD Ice Electric Beauty Plastic is equipped with patented thermoelectric cooling technology, which simultaneously cools the epidermis to 0-5℃ throughout the treatment process. This avoids the risk of epidermal burns caused by radiofrequency energy, reduces the pain caused by thermal stimulation, and simultaneously lowers impedance, allowing over 70% of the energy to penetrate the dermis and fascia layer, thereby enhancing the efficiency of deep treatment.
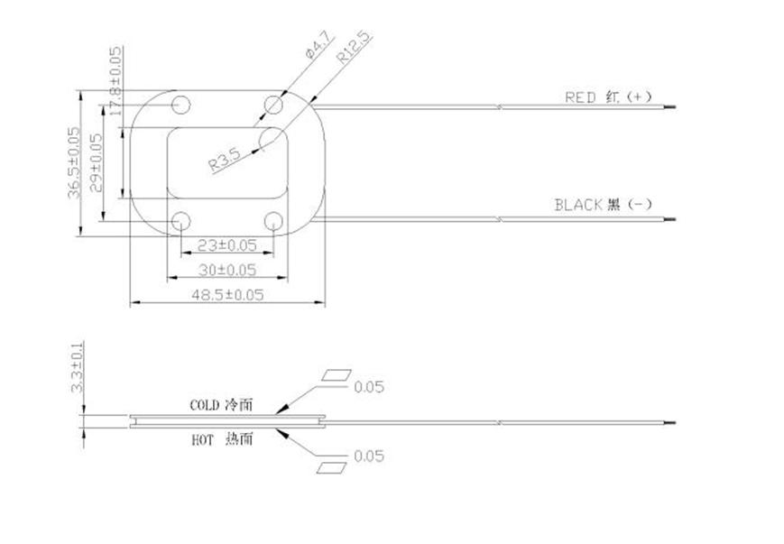
TES1-11707T125 Specification
Hot side temperature is 30 C,
Imax: 7A,
Umax: 13.8V
Qmax:58 W
Delta T max: 66- 67 C
Size:48.5X36.5X3.3 mm ,center hole size:30X 18 mm
Ceramic plate: 96%Al2O3
Sealed: Sealed by 704 RTV (white color)
Working temperature: -50 to 80℃.
Wire length: 150mm or 250mm
Thermoelectric material: Bismuth Telluride

Post time: Sep-16-2025